• Включение Цифрового Амперметра
    Цифровой Амперметр
    Включение Цифрового Амперметра
  • Измерение Силы Тока и Напряжения
    Измерение Силы Тока и Напряжения
    Измерение Силы Тока и Напряжения
  • Как Измерить Переменный Ток Амперметром
    Амперметр Переменного Тока
    Как Измерить Переменный Ток Амперметром
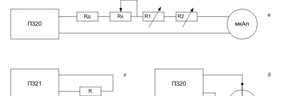
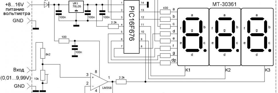
  • Электронный Вольтметр и Амперметр Постоянного Тока
    Амперметр Постоянного Тока
    Электронный Вольтметр и Амперметр Постоянного Тока
  • Измерение Сопротивления при Помощи Амперметра и Вольтметра
    Сопротивление
    Измерение Сопротивления при Помощи Амперметра и Вольтметра
  • Подключение Вольтметра
    Подключение
    Подключение Вольтметра
Амперметр Ам 3 Трехфазный
Амперметр Ам 3 Трехфазный
Сентябрь 8, 2022
Основными параметрами электрических сетей являются: действующее значение напряжения в сети; сила тока в цепи нагрузки; частота переменного тока в сети. Для отслеживания параметров электрических сетей существуют…
Амперметр Показывает Ток А Вольтметр Напряжение
Амперметр Показывает Ток А Вольтметр Напряжение
Август 19, 2022
Коэффициентом мощности, или косинусом фи (cos φ), цепи называется отношение активной мощности к полной мощности. cos φ = P/S = P/UI = P/√(P2 + Q2). В общем случае активная мощность меньше полной мощности, т. е. у этой дроби числитель меньше знаменателя, и поэтому коэффициент мощности меньше единицы…
Индикаторные Отвертки
Индикаторные Отвертки
Июль 30, 2022
Какие бы работы с электропроводкой ни производились в доме, это должно проис­ходить в условиях абсо­лютной безопасности. В связи с этим важно убедиться, нет ли в проводе напряжения. Для этой це­ли следует сделать не­сколько небольших заме­чаний о правильном использовании одного важ­нейшего инструмента…
Амперметр для Сварочного
Амперметр для Сварочного
Июль 10, 2022
предназначен для ручной дуговой сварки и резки углеродистых, легированных и корозийнностойких сталей на постоянном токе (ММА-DC) штучными электродами с основным и целлюлозном покрытием диаметром 2-5 мм. Выпрямитель может использоваться в строительстве, жилищно-коммунальном хозяйстве, на предприятиях…
Обозначение Амперметра и Вольтметра
Обозначение Амперметра и Вольтметра
Июнь 20, 2022
КЛЮЧЕВЫЕ СЛОВА Количество заряда Напряжение Вольтметр Совершенная работа Электрическое поле ЧТО ВЫ УЗНАЛИ? Энергетическая характеристика __ называется __. Электрическое напряжение - это физическая величина, равная отношению __, электрическим полем во время перемещения заряда между двумя точками, к этому…
Установка и Поверка Амперметров и Вольтметров
Установка и Поверка Амперметров и Вольтметров
Май 31, 2022
Портативный калибратор пирометров используется для проверки точности и калибровки пирометров. Калибратор имеет абсолютно черное рабочее тело с возможностью проверки пирометров 50500°С. Диаметр рабочей поверхности черного тела: 57 мм. Температура черного тела: 50500°С ±(0.5-1.8)°С. Время нагрева: 40 минут…
Как Правильно Подключить Амперметр
Как Правильно Подключить Амперметр
Май 11, 2022
Как быть, если в автомобиле появились дополнительные потребители тока, например, противотуманные фары? Многие подключают их на аккумулятор. Однако это совершенно неправильно, и может привести к проблемам. Как минимум, при таком подключении искажаются показания амперметра. Вообще, амперметр — индикатор…
Амперметр Номинальный Ток
Амперметр Номинальный Ток
Апрель 21, 2022
При измерении силы переменного тока амперметром следует показания снимать в конце шкалы прибора. Если значение измеряемого тока меньше верхнего предела измерений, указанного на приборе, то последний включают непосредственно в сеть последовательно с нагрузкой. Если измеряемый ток больше верхнего предела…
Встраиваемый Вольтметр Амперметр Постоянного Тока
Встраиваемый Вольтметр Амперметр Постоянного Тока
Апрель 1, 2022
Миниатюрный цифровой встраиваемый вольтметр постоянного тока. Ультра яркий зеленый индикатор. Модуль может использоваться для: контроля напряжения в лабораторных блоках питания, контроля напряжения бортовой сети автомобиля и напряжения аккумулятора, а также для контроля напряжения в различных устройствах…
Класс Точности Амперметра 2
Класс Точности Амперметра 2
Февраль 20, 2022
Класс точности измерительного прибора — это обобщенная характеристика, определяемая пределами допускаемых основных и дополнительных погрешностей, а также другими свойствами, влияющими на точность, значения которых установлены в стандартах на отдельные виды средств измерений. Класс точности средств измерений…
Подключение Амперметра на Тракторе
Подключение Амперметра на Тракторе
Январь 11, 2022
Генераторы переменного тока Г287Д и Г287Е для тракторов Эти трехфазные синхронные генераторы переменного тока имеют электромагнитное возбуждение. В них встроены кремниевые выпрямительные блоки, которые преобразуют переменный ток в постоянный. Генераторы служат источниками электрической энергии и работают…
Цифровой Амперметр Rs485
Цифровой Амперметр Rs485
Декабрь 22, 2021
{to_news} Что Autonics может предложить потребителю? Корпорация Autonics является экспертом в области промышленной автоматизации. Стремится максимально удовлетворить потребности покупателя исключительно высококачественной продукции в широком ассортименте. Корпорация постоянно следить за потребностями…
Амперметр Последовательно или Параллельно
Амперметр Последовательно или Параллельно
Декабрь 2, 2021
Под соединением проводников подразумевается соединение резисторов – приборов, сделанных на основе сопротивления проводников. На предыдущих уроках были рассмотрены параллельное и последовательное соединения. На данном уроке будут рассмотрены задачи на смешанное соединение проводников, то есть когда в…
Подключение Удаленного Амперметра
Подключение Удаленного Амперметра
Ноябрь 12, 2021
Измерения величин тока и напряжения на промышленных предприятиях обеспечивают контроль технологического процесса основных агрегатов, установленного режима работы, качества и количества получаемой электроэнергии, состояния изоляции в сетях с изолированной нейтралью трехфазного тока. показывающие приборы…
Подключение Электронного Амперметра
Подключение Электронного Амперметра
Октябрь 23, 2021
Амперметр – это электроизмерительный прибор, предназначенный для фиксации силы постоянного либо переменного тока, протекающего в цепи. амперметр подключается последовательно, с тем участком электроцепи, где предполагается измерять ток. Так как ток, который он измеряет зависит от сопротивления элементов…
Цифровой Амперметр для Сварочного
Цифровой Амперметр для Сварочного
Октябрь 3, 2021
Новинка AIRLINE ПЗУ сварочный аппарат имеет три режима работы: 12 вольт и 24 вольта для пуска двигателя и зарядки АКБ и режим сварочного аппарата. Это позволяет использовать его не только для легковых автомобилей с 12В бортовой сетью и для грузовой и специальной техники с бортовой сетью 24В, но и для…
Амперметр Постоянного Тока для Зарядного Устройства
Амперметр Постоянного Тока для Зарядного Устройства
Сентябрь 13, 2021
В зимний период времени особенно актуальны темы связанные с аккумуляторами автомобиля, ведь холодный пуск может его быстро разрядить. Многие меняют старые батареи, покупают новые (главное ) – однако большинство старается их подзарядить и использовать дальше. Благо современные батареи ходят достаточно…
Как Правильно Подключить Цифровой Амперметр в Автомобиль
Как Правильно Подключить Цифровой Амперметр в Автомобиль
Август 24, 2021
Мультиметр – это легкое переносное устройство поможет водителю следить за состоянием аккумулятора в машине благодаря регулярной проверке. Он многофункциональный, так как одновременно используется, как вольтметр, амперметр и омметр. Аккумулятор с полным зарядом освобождает водителя от проблем, связанных…